上海博迅電熱蒸餾水器安裝要求
安裝要求
用戶開箱后,先應閱讀使用說明,并按圖示安裝,本產品需固定安裝使用,同時注意以下要求:
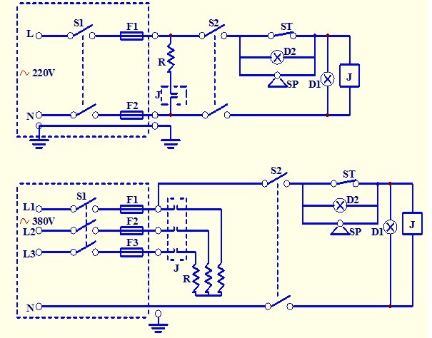
1.電源:用戶根據產品銘牌所示參數,按接線圖接線,電源插座應有可靠接地,并應配有熔斷器(用戶電路中必須安裝)。保證使用安全,接線插頭與插座應由用戶根據電流配置。(5升、20升:2**;10升:1**)見(圖1)。

圖1
5升斷水自控型電氣原理圖(上圖) 10升、20升斷水自控型電氣原理圖(下圖)
S1:用戶開關 F1,F2,F3:熔斷器(5升、20升:2**;10升:1**)
S2:電源開關 ST:溫度開關 SP:蜂鳴器
D1:工作指示燈 D2:報警指示燈 R:加熱管
J:大功率繼電器
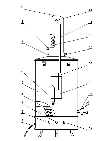
2.水源:本產品進水用φ10軟管與蒸餾水器快卸接頭連接。如用戶供水管為1/2龍頭時,可在進水軟管另一端用生料帶纏繞幾圈插入1/2龍頭內孔即可。蒸餾水出口請用白色膠管連接,將所產蒸餾水引入容器內
(詳見結構示意圖)。

用戶開箱后,先應閱讀使用說明,并按圖示安裝,本產品需固定安裝使用,同時注意以下要求:
1.電源:用戶根據產品銘牌所示參數,按接線圖接線,電源插座應有可靠接地,并應配有熔斷器(用戶電路中必須安裝)。保證使用安全,接線插頭與插座應由用戶根據電流配置。(5升、20升:2**;10升:1**)見(圖1)。

圖1
5升斷水自控型電氣原理圖(上圖) 10升、20升斷水自控型電氣原理圖(下圖)
S1:用戶開關 F1,F2,F3:熔斷器(5升、20升:2**;10升:1**)
S2:電源開關 ST:溫度開關 SP:蜂鳴器
D1:工作指示燈 D2:報警指示燈 R:加熱管
J:大功率繼電器
2.水源:本產品進水用φ10軟管與蒸餾水器快卸接頭連接。如用戶供水管為1/2龍頭時,可在進水軟管另一端用生料帶纏繞幾圈插入1/2龍頭內孔即可。蒸餾水出口請用白色膠管連接,將所產蒸餾水引入容器內
(詳見結構示意圖)。

- 上一篇:YN-ZD-Z型蒸餾水器使用注意事項
- 下一篇:上海博迅電熱蒸餾水器使用方法






